Wir zeichnen für Sie.
|
|
|
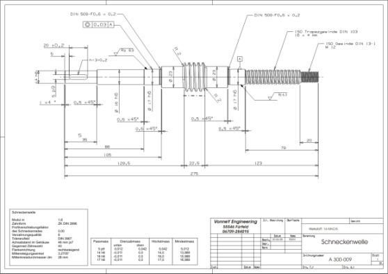
Sie sind auf der Baustelle, in der Produktion oder an einer Maschine. Ein Teil ist defekt oder Sie benötigen ein zusätzliches Bauteil. Sie erstellen auf die Schnelle eine Skizze, benötigen aber für die Fertigung eines neuen Bauteils schnell eine normgerechte Zeichnung....
Kein Problem: Nehmen Sie mit uns Kontakt auf, und senden Sie uns Ihre Skizze per Fax oder e-mail. Fachkundige Mitarbeiter/innen erfassen Ihr Bauteil auf modernen CAD-Anlagen und erstellen Ihnen fertigungsgerechte Zeichnungsunterlagen. |
|
|
|
![]() |
![]() |



















